BG-HMDA Hot Metal Detector
Hot metal detector (energy value display function) is mainly used in metallurgical industry system. Through the detection of high-temperature workpiece, it can judge the moving position of workpiece and output a control switch signal.
The hot metal detector (energy value display function) has the following characteristics:
- It can work in harsh environments (such as high temperature, humidity, water mist, dust and other harsh environments).
- It can work continuously and reliably for a long time.
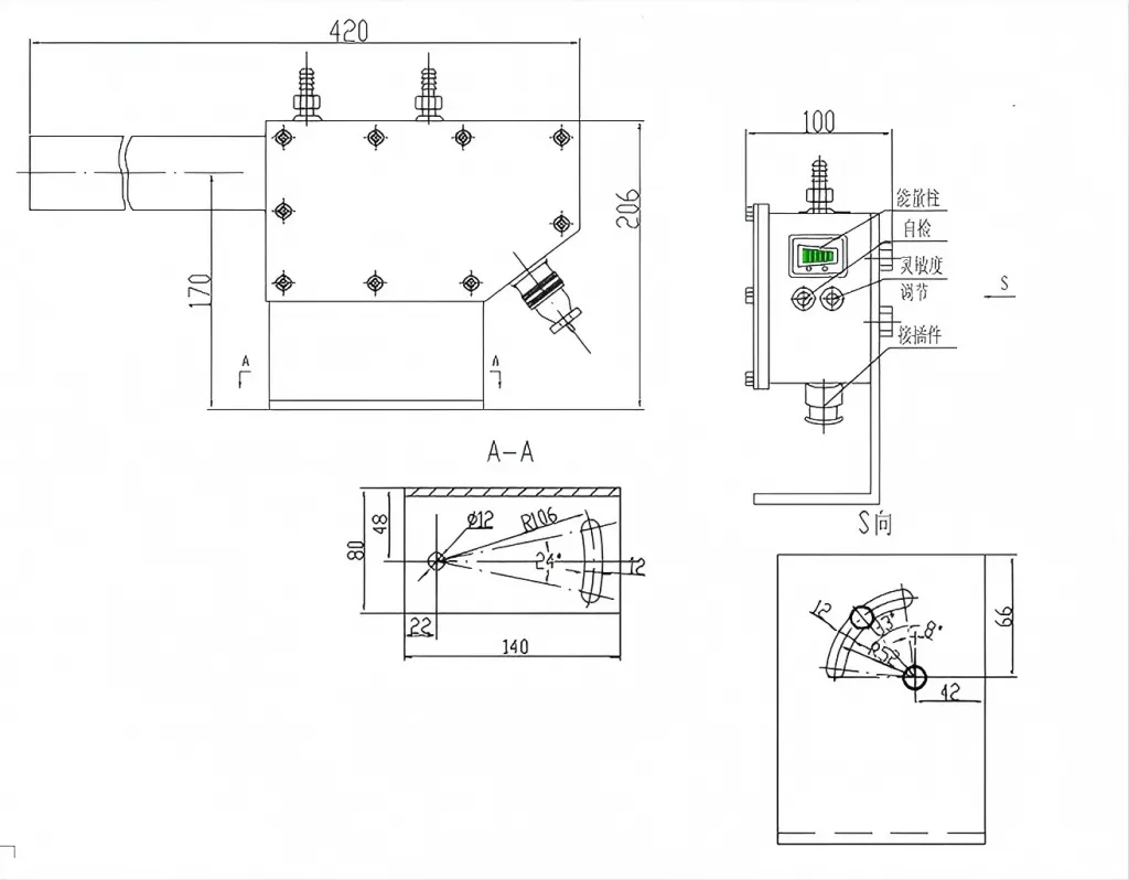
- The detector is integrated with power supply, controller and output, which is easy to install
Working power supply:
2: AC220V(AC100V~AC275V);
4: DC24V(DC18V~DC30V);
operation temperature:
-25℃~+70℃; -25 ℃~+120 ℃ with water cooling
Detection temperature:
550 ℃~1400 ℃ (ordinary type): 300 ℃~1400 ℃ (low temperature type)
detection distance:
0.2m~8m
Two tone indicator light:
Power on indicator: green LED on; Signal working indicator: red LED on
Signal energy intensity:
Seven segment signal energy intensity indication, greater than two grid action.
Relay output (Z)
Maximum contact capacity: AC250V10A,DC30V10A
output form:
Push pull high level (C)
There is a signal, and the ground high level is ≥ 22V (Vin-2V); Maximum load current of 100mA;
Low level (D)
Signal present, ground low level ≤ 1V; Maximum load current of 100mA;
MOS optocoupler output (G)
Maximum input operating voltage ≤ 400VAC/DC, maximum load current 100mA
self-inspection:
Button self-test or external switch control self-test
When the installation distance is 1m, the field of view range is 100mm

