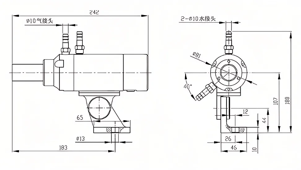
It has a solid shape, and adopts stainless steel movement (movement diameter is only 50mm). The sealing parts are made of high temperature resistant rubber, and the protection grade is IP65, which is suitable for industrial occasions. The software and hardware design is applicable to the processing of one million times signals, and can meet the user’s requirements for instrument accuracy, repeatability, and other aspects.
It has a solid shape, and adopts stainless steel movement (movement diameter is only 50mm). The sealing parts are made of high temperature resistant rubber, and the protection grade is IP65, which is suitable for industrial occasions. The software and hardware design is applicable to the processing of one million times signals, and can meet the user’s requirements for instrument accuracy, repeatability, and other aspects.
The temperature measurement range covers 100 ℃~ 2000 ℃
The temperature measurement accuracy can reach 0.5%, and the repetition accuracy is 2 ℃
Response time 5ms~99.99s adjustable
Resolution 0.1 ℃
The adjustable focus lens is used to measure the distance from 0.35m to infinity
High brightness green LED light source or eyepiece aiming to clearly display the position and size of the measured target.
The detector adopts ambient temperature compensation to eliminate the influence of ambient temperature on the measurement temperature
The industrial OLED screen is used as the display interface, and the man-machine interface is friendly
It has a solid shape, and adopts stainless steel movement (movement diameter is only 50mm). The sealing parts are made of high temperature resistant rubber, and the protection grade is IP65, which is suitable for industrial occasions. The software and hardware design is applicable to the processing of one million times signals, and can meet the user’s requirements for instrument accuracy, repeatability, and other aspects.