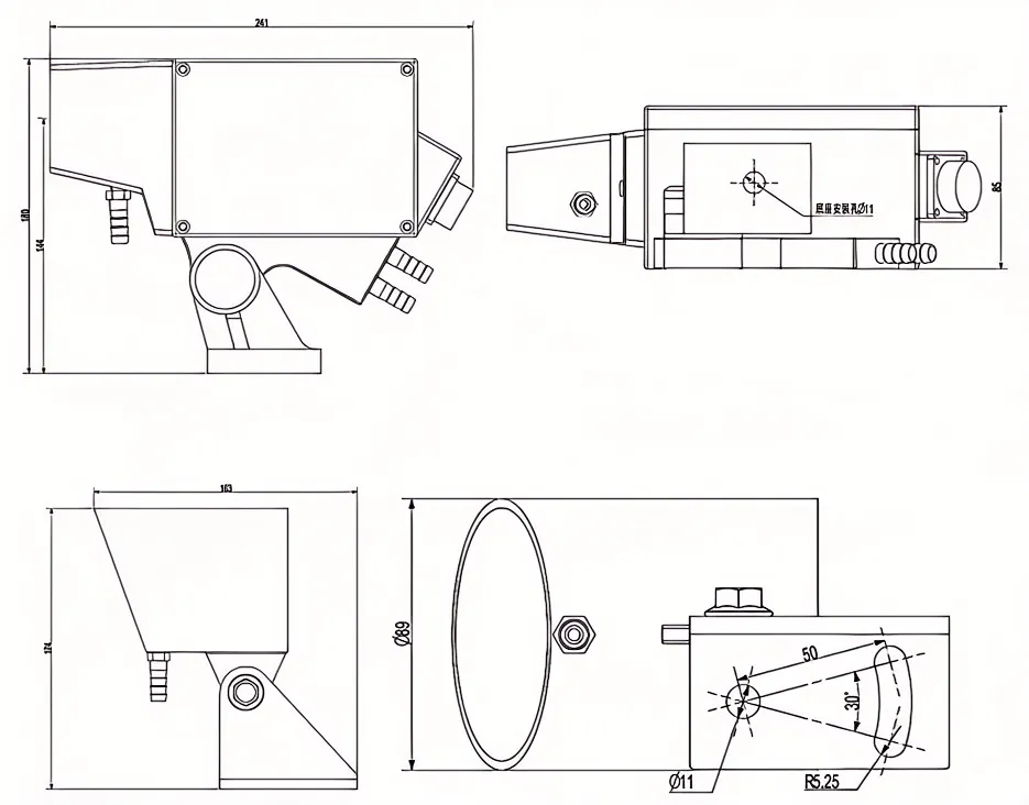
BG-LD-D Laser Detector
Laser detectors (reflective) are mainly suitable for the metallurgical industry, achieving automatic detection of opaque objects on production lines. This detector has a long working distance, strong anti-interference performance, easy installation and debugging, and can work continuously and reliably in harsh environments such as humidity, water mist, and dust for a long time. When the ambient temperature exceeds 45 ℃, the detector should be cooled with water. When the ambient temperature exceeds 65 ℃, the SP-17 type reflector should be selected.
Specially added digital energy display, the better the installation angle, the stronger the received signal energy intensity. During on-site installation, by adjusting the installation angle to the maximum received energy intensity, the installation position is ensured to be optimal and the signal surplus is maximized, avoiding the original situation of only action indication and not knowing whether the installation position is the best. Energy alarm output can be optionally selected and connected to the on-site control system to achieve maintenance reminders and avoid faults.
The red laser detector (reflection type) is mainly used in the metallurgical industry to realize the automatic detection of opaque objects on the production line. The detector has a long working distance, strong anti-interference performance, convenient installation and debugging, and can work continuously and reliably for a long time in harsh environments such as humidity, water mist, and dust. When the ambient temperature exceeds 45°C, the detector should be cooled with water. When the ambient temperature exceeds 65°C, the reflector should be SP-17.
In particular, the digital energy display is added. The better the installation angle, the stronger the received signal energy intensity. When installing on site, fine-tune the installation angle to the connection
The maximum energy intensity is ensured to ensure the best installation location and the largest signal margin, avoiding the original only action indication, and it is not known whether the installation location is the best.
It can be equipped with energy alarm output and connected to the on-site control system, which can realize maintenance reminders and avoid failures.
Technical Parameters:
Laser Type 650nm Red Laser
Laser Peak Power 100mW
Detection Mode Feedback Reflection Type
Detection Distance 18m (SP-17 Reflector), 20m (SP-18 Reflector)
Housing Form Rectangular (Yellow), with Purging and Cooling
Operating Temperature -25°C~+45°C; -25°C~+110°C with Water Cooling
Operating Power Supply 2: AC220V (AC100V–AC275V)
4: DC24V (DC20V–DC36V)
Power Consumption <5W
Output Form Relay Output (Z) Maximum Contact Capacity: AC 250V 5A, DC 30V 5A
Push-Pull Level Output (C) With Signal: High Level ≥22V (Vin-2V) against ground; Low Level ≤1V against ground; Maximum Load Current 100mA
MOS Optocoupler Output (G) Maximum Input Operating Voltage ≤400V AC/DC, Maximum Load Current 100mA
Output Switching By switching the line to be suspended or connected to 0V, bright/dark switching can be achieved (i.e., normally open/normally closed, high-level output/low-level output switching)
Signal Strength Energy Indication 0–999 three-digit digital display of signal strength
Indication Power: LED (Green); Action: LED (Red); Energy Alarm (energy value <50): LED (Yellow) flashing
Response Time Level <2ms; MOS Optocoupler <4ms; Contact <20ms
Anti-Light Interference Incandescent Lamp 10000Lx
Air Purging Pressure 0.1MPa, Flow Rate 6L/min
Cooling Water Pressure 0.2MPa, Flow Rate 2L/min

